Skip to Main Content

Blog - Page 9 of 13 - HECO

5500HP synchronous motor

Case Study 5500HP, 13,200v, Synchronous Motor: (Part 2) Evaluating Surplus Motor Options and Initial On-site Application Review

July 11, 2019

For part two of the series, Todd Hatfield will be reviewing the dismantled surplus motor and explaining some of the on-site findings for the 5500HP , 13,200v, Synchronous Motor. In this video segment, you will see: The replacement motor’s shorting ring and it’s unique placement on the motor Data collected on the replacement motor’s stator and rotor …

Continue reading

Image of Synchronous Motor Brakedown

What is an AC Synchronous Motor?

July 2, 2019

An informative video about AC Synchronous Motors Below is a 5 minute video from an hour long presentation given by Todd Hatfield, Senior Electrical Engineer at HECO – All Systems Go, during the 2018 Reliability, Process, and Maintenance (RPM) Symposium. This clip covers the basis of synchronous motors and how they differ from induction motors. …

Continue reading

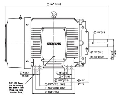
image of a motor frame diagram

What Electric Motor Frame Sizes Tell You

June 5, 2019

It is standard to see the “frame” size on every electric motor nameplate, but do you understand what that frame means in regard to the mounting of the motor? Many have been in the situation where you needed a specific frame only to realize it was made with a special shaft or has a mounting …

Continue reading

image of a very old electric motor

Selecting the Correct Motor Enclosure

May 14, 2019

Are you replacing your failed motor with the best motor for your application and environment? The easy part of replacing your motor is matching the frame size, horsepower, RPM, and voltage, but it may not always be wise to just replace the motor with a motor matching the same enclosure that you have always had. …

Continue reading

graph showing the trend of vibration analysis

How Does Vibration Analysis Work?

May 8, 2019

In recent years, companies have entered the transition from reactive maintenance, to planned maintenance, and into the most efficient method found in predictive maintenance. While the first two methods have dominated in the past, they have been found to be costly, inefficient in time, and sometimes result in over-maintenance of machines. In predictive maintenance, machine …

Continue reading

1 7 8 9 10 11 13